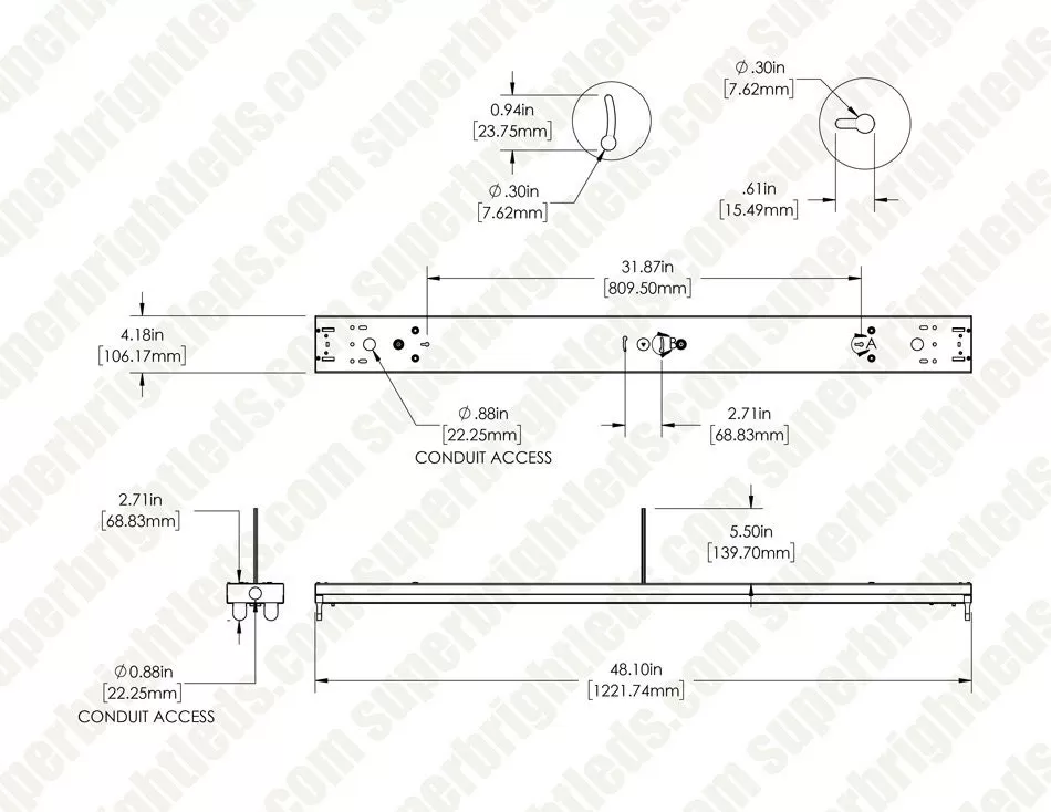
The 4-foot LED ready strip light fixture has non–shunted sockets to operate single-end Type B T8 tubes. Replace traditional fluorescent fixtures to increase energy savings. Use a daisy chain to link the fixtures together. Surface mount using the included hardware or suspension mount using one of the optional mounting kits (sold separately).
- Uses two T8 tubes (sold separately)
- White steel housing
- G13 Bi-Pin Connection
- Max Wattage: 50W
- Certified by UL
- 5-year warranty

















Reviews
There are no reviews yet.